Conrad Vintage Computers
Skip to content
Jump to main navigation and login
Nav view search
Navigation
Home
About
The Collection
Contributors
My Stories
Humor
Links
Contact
Events
my computers
Robots
Search
Search ...
Home
>
The Collection
>
Digital Group
>
TVReadout-Cassette card
>
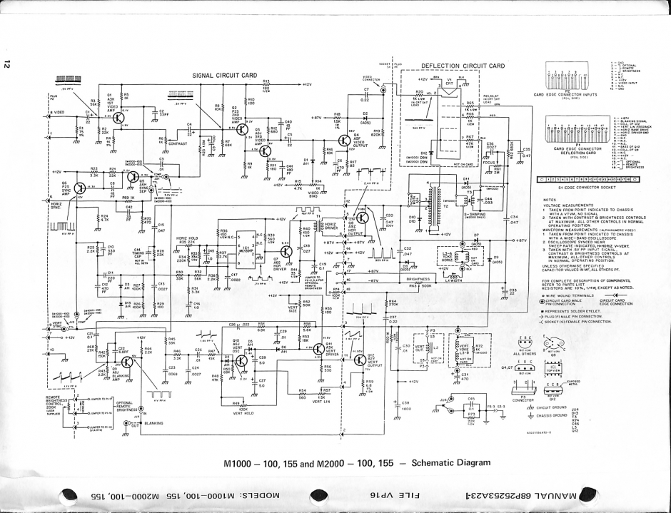
Motorola CRT Service Manual
The Collection - Motorola CRT Service Manual
New folder
p_1
p_2
p_3
p_4
p_5
p_6
p_7
p_8
p_9
p_10
Ordering
Ordering Ascending
Ordering Descending
Title Ascending
Title Descending
Date Ascending
Date Descending
Rating Count Ascending
Rating Count Descending
Rating Ascending
Rating Descending
Hits Ascending
Hits Descending
Display Num
5
10
15
20
50
All
Powered by
Phoca Gallery